|
|
 |
 |
| home |
| |
shopping |
| |
contact |
| |
projects |
| |
Warning: Undefined array key "session_logged_in" in /home2/sap/public_html/header.php on line 612
login | | | join |
|
 |
 |
 |
Firebird Fog Light Convert to Driving Lights
|
 |
|
|
|
|
|
|
|
|
|
|
|
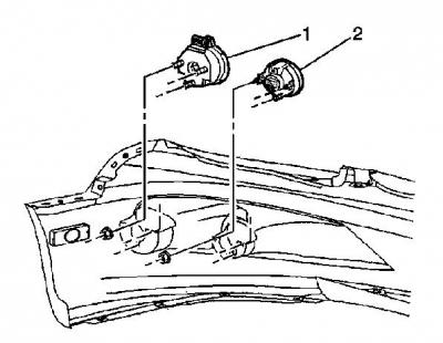
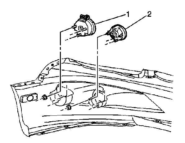
Remove OEM Foglights
|
|
|
Fist step is to remove the OEM fog lights and make a bracket to mate the Driving Lights to the Fog Light mounts.
|
|
|
|
|
|
|
|
|
All projects on Shareaproject.com are user-submitted and should be used for reference information only. The projects are not intended to be complete "How-To" articles. Use the information contained in these projects at your own risk. Projects are not checked for completion, accuracy, or safety and therefore cannot be guaranteed in any way.
Outdoor Blog
|